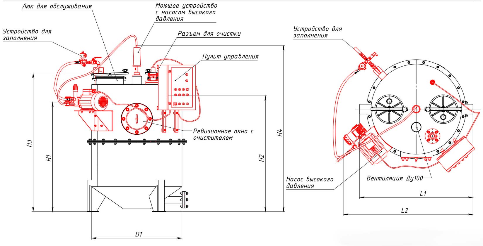
Габариты и чертежи
| Номинальная величина | Размеры | |||||||||
|---|---|---|---|---|---|---|---|---|---|---|
| D1 | L1 | L2 | L3 | L4 | H1 | H2 | H3 | H4 | D | |
| л/с | мм | мм | мм | мм | мм | мм | мм | мм | мм | мм |
| 2 | 1005 | 1260 | 1450 | - | - | 950 | 1020 | 1250 | 1600 | 110 |
| 4 | 1005 | 1260 | 1450 | - | - | 1220 | 1290 | 1544 | 1850 | 110 |
| 7 | 1475 | 1740 | 1900 | - | - | 1450 | 1520 | 1775 | 2130 | 160 |
| 10 | 1475 | 1740 | 1900 | - | - | 1600 | 1670 | 1950 | 2300 | 160 |
| 15 | 1750 | 2144 | 2050 | - | - | 1780 | 1850 | 2185 | 2540 | 220 |
| 20 | 1750 | 2144 | 2050 | - | - | 2000 | 2070 | 2385 | 2750 | 220 |
Жироотделитель для установки внутри отапливаемых помещений, предназначен для удаления жира растительного и животного происхождения из сточных вод естественным самотеком без внешней энергии. Жироуловитель предназначен для отделения светлых жидкостей, например, бензина, топливных материалов и топливного масла, и не описывает очистку сточных вод исключительно с содержанием устойчивых эмульсий жиров и масел. Работа жироотделителя подтверждена сертификатами ТС, а так же лабораторными испытаниями.
Преимущества:
- Конструкция разработана в соответствии с Российскими нормативами, а также европейскими стандартами DIN-EN 1825-1, DIN-EN 1825-2, DIN-EN 4040-100;
- Цельный, прямоугольный корпус из нержавеющей стали 316L;
- На выбор правое/левое в зависимости от стороны установки инспекционного окна.
Комплектация
- Уровень комплектации: 2 из 5
- Артикул: 2115.31.13
- Пропускная мощность: 15 л/с
- Объем шламкамеры: 1630 л
- Объем жиров: 800 л
- Общий объём: 3350 л
- Вес пустой: 558 кг
- Вес полный: 3980 кг
- Подключение: левое/правое
- Вход/выход DN: 200 см
Стандартная комплектация:
- Инспекционное окно с вращающимся очистителем;
- 2 герметичные крышки не пропускают запах.
- Наполняющее устройство ¾” с подключением к холодной воде, шаровой клапан, фильтр;
Требования:
- Подключение холодной воды для наполнения











