Габариты и чертежи
| Номинальная величина | Размеры | ||||||
|---|---|---|---|---|---|---|---|
| А | B | C | G | D | E | F | |
| л\с | мм | мм | мм | мм | мм | мм | мм |
| 2 | 1100 | 680 | 260 | 700 | 1750 | 1305 | 1235 |
| 4 | 2100 | 1400 | 600 | 700 | 1700 | 1420 | 1350 |
| 7 | 2150 | 1400 | 550 | 900 | 2050 | 1600 | 1530 |
| 10 | 2800 | 1850 | 750 | 1000 | 2450 | 1900 | 1750 |
| 15 | 2800 | 1850 | 750 | 1000 | 2450 | 1900 | 1830 |
| 20 | 3000 | 1850 | 750 | 1000 | 2450 | 1900 | 1830 |
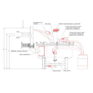
Жироотделитель для установки внутри отапливаемых помещений, предназначен для удаления жира растительного и животного происхождения из сточных вод естественным самотеком без внешней энергии. Жироуловитель предназначен для отделения светлых жидкостей, например, бензина, топливных материалов и топливного масла, и не описывает очистку сточных вод исключительно с содержанием устойчивых эмульсий жиров и масел. Работа жироотделителя подтверждена сертификатами ТС, а так же лабораторными испытаниями.
Преимущества:
- Конструкция разработана в соответствии с Российскими нормативами, а также европейскими стандартами DIN-EN 1825-1, DIN-EN 1825-2, DIN-EN 4040-100;
- Цельный, прямоугольный корпус из нержавеющей стали 316L;
Комплектация:
- Уровень комплектации: 1
- Артикул: 3115.11.11
- Пропускная мощность: 15 л/с
- Общий объём: 2205 л
- Диаметр и высота: 1830×600 мм
- Вес тяжелого элемент: 95 кг
- Вес пустой: 630 кг
- Вес полный: 2835 кг
- Вход/выход DN: 200 см
Стандартная комплектация:
- Ручное управление;
- Нижний конус для сбора шлама;
- Верхний конус для сбора жира;
- Подключение к системе канализации согласно европейским нормам DIN EN 877 и DIN 19534;
- Щиток управления (степень зашиты IP54) готовый для подключения (230Вт/1,5кВ);
- Прочистка DN 50;
- Шаровые краны DN 50 для отвода жира и шлама;
- Сменные емкости для сбора жира и шлама;
- 4 емкости по 60 литров каждая и две прозрачные крышки с выводами для подключения шлангов.











